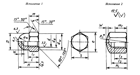
Гайки колпачковые, класс точности А ГОСТ 11860-85.
Класс точности: А.
Поле допуска резьбы: 6H.
Марка стали: 3, 20, 35, 45, 40Х, 09Г2С, 12Х13.
Класс прочности: 5; 6
Гайка колпачковая, класс точности А ГОСТ 11860-85 - фото - 2

Гайка колпачковая, класс точности А ГОСТ 11860-85

Гайки колпачковые, класс точности А ГОСТ 11860-85.
Класс точности: А.
Поле допуска резьбы: 6H.
Марка стали: 3, 20, 35, 45, 40Х, 09Г2С, 12Х13.
Класс прочности: 5; 6
Санкт-Петербургский Завод крепежных изделий © 2025г. Все права защищены
Адрес
СПб, г. Колпино, б-р Трудящихся, дом 2, лит. А., пом. 13-Н, офис 1
Яндекс.Метрика