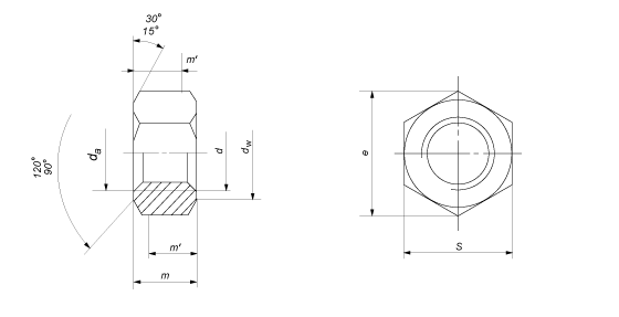
Гайка шестигранная, класс точности В ГОСТ 10605-94 с диаметром резьбы свыше 48 мм.
Класс точности: В.
Поле допуска резьбы: 6H.
Марка стали: 3, 20, 35, 45, 40Х, 09Г2С, 12Х13.
Класс прочности: 4; 5; 6; 8; 10; 12 .
Гайка шестигранная, класс точности В ГОСТ 10605-94 - фото - 2

Гайка шестигранная, класс точности В ГОСТ 10605-94

Гайка шестигранная, класс точности В ГОСТ 10605-94 с диаметром резьбы свыше 48 мм.
Класс точности: В.
Поле допуска резьбы: 6H.
Марка стали: 3, 20, 35, 45, 40Х, 09Г2С, 12Х13.
Класс прочности: 4; 5; 6; 8; 10; 12 .
Санкт-Петербургский Завод крепежных изделий © 2025г. Все права защищены
Адрес
СПб, г. Колпино, б-р Трудящихся, дом 2, лит. А., пом. 13-Н, офис 1
Яндекс.Метрика