Болт ГОСТ 15163-78 предназначены для создания прочного соединения с высокой надежностью. Они характеризуются высоким спросом на рынке благодаря своим техническим характеристикам. Применяются в строительной сфере, при производстве автомобилей в установке легкосплавных дисков. Метиз выдерживает высокие значения динамической, статической нагрузки.
Болт конический, повышенной точности ГОСТ 15163-78 - фото - 2

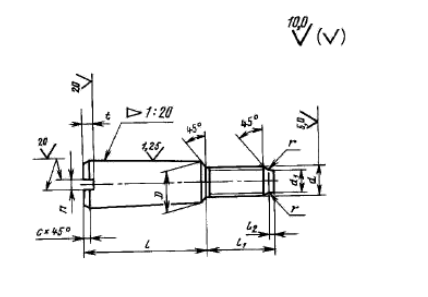
Болт конический, повышенной точности ГОСТ 15163-78

Болт ГОСТ 15163-78 предназначены для создания прочного соединения с высокой надежностью. Они характеризуются высоким спросом на рынке благодаря своим техническим характеристикам. Применяются в строительной сфере, при производстве автомобилей в установке легкосплавных дисков. Метиз выдерживает высокие значения динамической, статической нагрузки.
  • Технические характеристики

Болт ГОСТ 15163-78: особенности

Крепежная деталь представлена сужающейся к низу головкой. Сверху выполнена шлица, к которой подходит плоская отвертка. На металлическом стержне добавлено уплощение конической формы, Оно обеспечивает хорошее вхождение в отверстие и прочное крепление в основе.
Обычно резьба наносится от начала и до конца цилиндрической части. Это обеспечивает надежное крепление с хорошим затягиваем. Нарезается с мелким и крупным шагом от 0,7 до 2 мм и номинальным диаметром М4-М16. Болты конические изготавливаются в нескольких вариациях — с разной длиной резьбы, разной формы головки, с различной длиной. Для производства применяется низкоуглеродистая сталь с предварительной термической обработкой. Также допускается применять другие типы сырья для получения высокоустойчивых соединений к разрывам. Согласно техническим требованиям изделия не должны иметь какие-либо дефекты — от вмятин до зазубрин. Они отличаются классами прочности и точности, наличием защитного слоя.
Технические характеристики

Болт ГОСТ 15163-78: особенности

Крепежная деталь представлена сужающейся к низу головкой. Сверху выполнена шлица, к которой подходит плоская отвертка. На металлическом стержне добавлено уплощение конической формы, Оно обеспечивает хорошее вхождение в отверстие и прочное крепление в основе.
Обычно резьба наносится от начала и до конца цилиндрической части. Это обеспечивает надежное крепление с хорошим затягиваем. Нарезается с мелким и крупным шагом от 0,7 до 2 мм и номинальным диаметром М4-М16. Болты конические изготавливаются в нескольких вариациях — с разной длиной резьбы, разной формы головки, с различной длиной. Для производства применяется низкоуглеродистая сталь с предварительной термической обработкой. Также допускается применять другие типы сырья для получения высокоустойчивых соединений к разрывам. Согласно техническим требованиям изделия не должны иметь какие-либо дефекты — от вмятин до зазубрин. Они отличаются классами прочности и точности, наличием защитного слоя.
Санкт-Петербургский Завод крепежных изделий © 2025г. Все права защищены
Адрес
СПб, г. Колпино, б-р Трудящихся, дом 2, лит. А., пом. 13-Н, офис 1
Яндекс.Метрика